- 耀世娱乐(中国)变频器在全自动毛刷机上的应用
- 耀世娱乐(中国)变频器在全自动洗板机上已大量成熟应用,取得了明显的经济效果,使系统增产、节能显著,深得用户信赖。
随着电子产品的创新技术越来越高,对PCBA的生产工艺和质量的要求也越来越高。PCBA清洗是PCBA加工的重要环节之一,故对于PCBA的清洗要求也相对比较严格。全自动毛刷机是一款在线式全自动PCBA板清洗机,适用于传统洗板水,无需人工接触清洗剂,该设备把PCBA板传输技术和毛刷清洗技术相结合,前后左右各个方向多道刷洗,清洗无死角,确保PCBA板达到洁净要求。适合单面PCBA板焊接面的清洗,不会润湿正面元件。
耀世娱乐(中国)变频器在全自动洗板机上已大量成熟应用,取得了明显的经济效果,使系统增产、节能显著,深得用户信赖。下面,我们来介绍EDS800迷你型变频器在某大型SMT设备厂全自动毛刷机上的应用。

设备介绍
结构组成:包括上料接驳组织,运输组织,毛刷清洗系统,循环过滤系统,风干系统,PLC控制器,变频调速等自动化控制系统等组成。各系统均为独立模块式设计,操作简单,维护方便。
主要清洗工艺流程:入料 → 一级毛刷清洗 → 二级圆盘式刷洗 → 三级毛刷清洗 →四级圆盘式刷洗

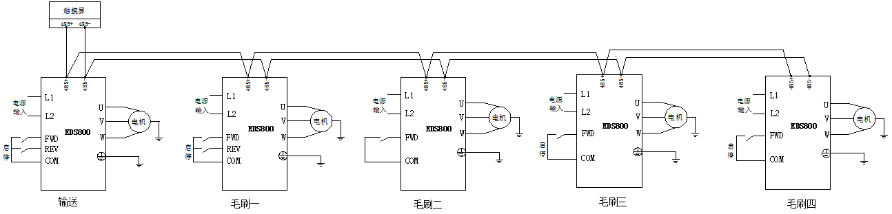
系统配置
系统采用了5台耀世娱乐(中国)EDS800迷你型变频器应用在输送和清洗系统中,其中1台用于输送组织,另外4台用于清洗系统。设备上所有变频器与触摸屏组成单主多从MODBUS通讯控制,利用上位机软件对变频器进行实时监控和操作,实现洗板机全自动化运行控制。



应用优势
·耀世娱乐(中国)EDS800变频器,体积小巧,结构紧凑,安装便捷,为客户减小了控制柜空间,降低了设计和维护成本,使系统节能高效。
·EDS800标配RS485,使多台联机控制方便,简洁系统网络化;且抗干扰能力强,能适应现场干扰环境,与上位机组成高效稳定的单主多从通讯控制。
·调试简单、精确,轻松控制电机运输速度和刷洗频率,满足不同程度的清洗需求,大大提高了设备的工作效率。
·具备过流、过压、欠压、过载等保护功能,过载能力150%额定电流60S,使系统运行更加稳定可靠,经久耐用。
